Schematic Eaton Fuller 18 Speed Air Line Diagram

Https Www Munciepower Com Cms Files Products Literature Documents Service Parts Sp96 05 Pdf

Is the air being exhausted from the sp air line.

Schematic eaton fuller 18 speed air line diagram. Basic air system drawings 18 speed right hand drive 198. Here you can find the latest products in different kinds of eaton fuller 13 speed air line diagram. Eaton fuller 13 speed shift knob air line diagram. We provide 20 for you about eaton fuller 13 speed air line diagram page 1.

Only even or odd numbered gears. Eaton fuller 8 speed transmissions. Only even or odd numbered gears ecu malfunction active fault code 11. Eaton fuller 10 speed transmissions go to the top pick your transmission model.

Eaton fuller 18 speed transmissions. Eaton 13 speed air diagram line published on diagram. The following are the recommended sealants and lubricants to be used when assembling air system components. Eaton fuller 13 sd air line diagram welcome to our site this is images about eaton fuller 13 sd air line diagram posted by benson fannie in eaton category on aug 26 2019.

Eaton fuller air system troubleshooting for 8 9 10 11 13 15 and 18 speed transmissions for diagnosis and repair of your transmission air system. We provide 20 for you about eaton fuller 13 speed air line diagram page 1. 1 13 air system ecu. Roadranger thirteen speed knob questions.

Eaton fuller 5 speed transmissions. Eaton fuller air line diagram imageresizertool eaton fuller air line diagram further eaton 20fuller 20transmission 20parts 20diagram moreover 99 dodge ram 1500 suspension furthermore nv4500 internal diagrams wiring eaton fuller air line diagram best eaton fuller air line diagram furthermore eaton fuller 9 speed transmission diagram in addition 91. Eaton 13 speed air line diagram. 13 speed eaton fuller transmission diagram eaton 18 speed how to change to an old style a4487 shift knob.

Eaton fuller 9 speed transmissions. Looking for eaton fuller 13 speed air line diagram. A minimum of 1 4 diameter air supply line is required. Eaton fuller 6 speed transmissions.

It is required to use a high quality commercially available air dryer in the air supply line before the transmission. Foreword this manual is designed to provide detailed infor mation necessary to service and repair the fuller transmission listed on the cover. 532 air line 84502 elbow 12881 18 tee 85002 elbow assembly 83501 grip nut 83001 compression sleeve 18 air line 0 100 psi gauge 0 100 psi gauge 0 100 psi gauge 84006 532 push to connect to 18 nptf 84006 532 push to connect to 18 nptf test fixture for range cylinder test fixture for 532 air line. General information 1.

Eaton fuller silicone lubricant part. Here you can find the latest products in different kinds of eaton fuller 13 speed air line diagram.

Roadranger Thirteen Speed Knob Questions

Roadranger Thirteen Speed Knob Questions

Http Www Roadranger Com Ecm Idcplg 3fidcservice 3dget File 26did 3d334332

Http Www Roadranger Com Ecm Idcplg 3fidcservice 3dget File 26did 3d334332

Eaton Fuller Transmission Troubleshooting Diagnostic Guide

Eaton Fuller Transmission Troubleshooting Diagnostic Guide

Http Arrowdetroit Com Wp Content Uploads 2017 01 Rtlo 18918b 1202 Pdf

Http Arrowdetroit Com Wp Content Uploads 2017 01 Rtlo 18918b 1202 Pdf

164af8 Eaton 2 Speed Wiring Diagram Wiring Library

164af8 Eaton 2 Speed Wiring Diagram Wiring Library

Https Www Munciepower Com Cms Files Products Literature Documents Service Parts Sp96 05 Pdf

Https Www Munciepower Com Cms Files Products Literature Documents Service Parts Sp96 05 Pdf

Eaton Fuller 13 Speed Troubleshooting

Eaton Fuller 13 Speed Troubleshooting

Chapter 5 Pneumatic And Hydraulic Systems Hydraulics Pneumatics

Chapter 5 Pneumatic And Hydraulic Systems Hydraulics Pneumatics

Twin Stick Mack Shift Patern Big Trucks Kenworth Trucks Truck Memes

Twin Stick Mack Shift Patern Big Trucks Kenworth Trucks Truck Memes

Cdl College Truck Driving School 10 Speed Transmission Truck Driver Cdl Trucks

Cdl College Truck Driving School 10 Speed Transmission Truck Driver Cdl Trucks

Applied Sciences Free Full Text Battery Management System Hardware Concepts An Overview Html

Applied Sciences Free Full Text Battery Management System Hardware Concepts An Overview Html

Supercharging Streeter Major Reference Works Wiley Online Library

Supercharging Streeter Major Reference Works Wiley Online Library

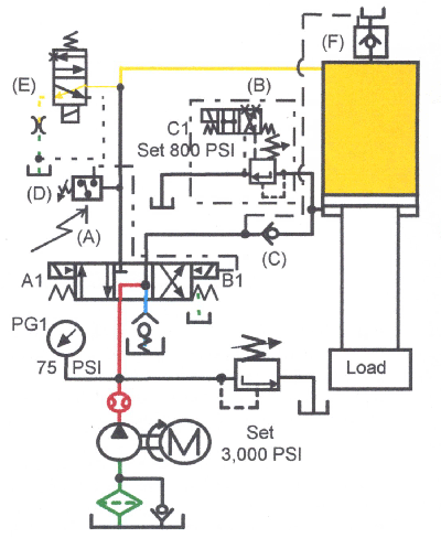
Book 2 Chapter 8 Directional Control Valves Hydraulics Pneumatics

Book 2 Chapter 8 Directional Control Valves Hydraulics Pneumatics

Http Www Roadranger Com Ecm Idcplg Idcservice Get File Did 334333

Http Www Roadranger Com Ecm Idcplg Idcservice Get File Did 334333

Https Www Getearthquake Com Documents Download 2189

Https Www Getearthquake Com Documents Download 2189

Spicer 1453 And 1241d 2 Into 1 20 Forward Gears With A Single Stick Shift Pattern Trucks Trucker Quotes

Spicer 1453 And 1241d 2 Into 1 20 Forward Gears With A Single Stick Shift Pattern Trucks Trucker Quotes

Https Www Haldex Com Globalassets North America Documents Valves L00134 Pdf

Https Www Haldex Com Globalassets North America Documents Valves L00134 Pdf

Book 2 Chapter 18 Pressure Relief Valves Hydraulics Pneumatics

Book 2 Chapter 18 Pressure Relief Valves Hydraulics Pneumatics

Sensors Free Full Text Evaluation Of Model Based Control Of Reaction Forces At The Supports Of Large Size Crankshafts Html

Sensors Free Full Text Evaluation Of Model Based Control Of Reaction Forces At The Supports Of Large Size Crankshafts Html

Pathecolor Illustrations Timeline Of Historical Film Colors

Pathecolor Illustrations Timeline Of Historical Film Colors

Https Www Kenworth Com Media 55366 Hd T680 T880 Bbm Update 102618 Pdf

Https Www Kenworth Com Media 55366 Hd T680 T880 Bbm Update 102618 Pdf

Eaton Fuller Transmission Diagrams 8 Speed Eaton Fuller Transmission Diagrams 8 Speed Manufacturers In Lulusoso Com Page 1

Eaton Fuller Transmission Diagrams 8 Speed Eaton Fuller Transmission Diagrams 8 Speed Manufacturers In Lulusoso Com Page 1

Book 2 Chapter 14 Proportional Control Valves Hydraulics Pneumatics

Book 2 Chapter 14 Proportional Control Valves Hydraulics Pneumatics

Https Rewaonline Org Pdfs Rewa Development Manual Pdf

Https Rewaonline Org Pdfs Rewa Development Manual Pdf

Https Encrypted Tbn0 Gstatic Com Images Q Tbn 3aand9gcrnpt Q4bm5awi0e8dnnpinyzvj5wk3gngaq2sv 7od4ixzejc Usqp Cau

Https Encrypted Tbn0 Gstatic Com Images Q Tbn 3aand9gcrnpt Q4bm5awi0e8dnnpinyzvj5wk3gngaq2sv 7od4ixzejc Usqp Cau

Sensors Free Full Text A Localized Surface Plasmon Resonance Sensor Using Double Metal Complex Nanostructures And A Review Of Recent Approaches Html

Sensors Free Full Text A Localized Surface Plasmon Resonance Sensor Using Double Metal Complex Nanostructures And A Review Of Recent Approaches Html

Fuller Advantage Transmission Manual Transmissions Eaton Roadranger

Fuller Advantage Transmission Manual Transmissions Eaton Roadranger

Mechanism Of Gaba Involvement In Post Traumatic Trigeminal Neuropathic Pain Activation Of Neuronal Circuitry Composed Of Pkcg Interneurons And Perk1 2 Expressing Neurons Dieb 2015 European Journal Of Pain Wiley Online Library

Mechanism Of Gaba Involvement In Post Traumatic Trigeminal Neuropathic Pain Activation Of Neuronal Circuitry Composed Of Pkcg Interneurons And Perk1 2 Expressing Neurons Dieb 2015 European Journal Of Pain Wiley Online Library

Flexible Fiber Based Optoelectronics For Neural Interfaces Chemical Society Reviews Rsc Publishing Doi 10 1039 C8cs00710a

Flexible Fiber Based Optoelectronics For Neural Interfaces Chemical Society Reviews Rsc Publishing Doi 10 1039 C8cs00710a

Part 900 Floodplains Streams And Wetlands Code Of Ordinances Thurston County Wa Municode Library

Part 900 Floodplains Streams And Wetlands Code Of Ordinances Thurston County Wa Municode Library

Https Www Mdpi Com 2076 3417 10 4 1216 Pdf

Https Www Mdpi Com 2076 3417 10 4 1216 Pdf

Synthetic Molecular Motors And Mechanical Machines Kay 2007 Angewandte Chemie International Edition Wiley Online Library

Synthetic Molecular Motors And Mechanical Machines Kay 2007 Angewandte Chemie International Edition Wiley Online Library

Differential Relief Valves Related Fluid Power Hydraulic Systems Relief Valve Valve

Differential Relief Valves Related Fluid Power Hydraulic Systems Relief Valve Valve

Cummins N14 Diesel Engine Shop Service Repair Manual Download Diesel Engine Cummins Engineering

Cummins N14 Diesel Engine Shop Service Repair Manual Download Diesel Engine Cummins Engineering

Cummins Isx Common Problems Freightliner Kenworth Volvo Peterbilt International Cummins Peterbilt Freightliner

Cummins Isx Common Problems Freightliner Kenworth Volvo Peterbilt International Cummins Peterbilt Freightliner

Materials Free Full Text Corrosion Of Metallic Biomaterials A Review Html

Materials Free Full Text Corrosion Of Metallic Biomaterials A Review Html

Http Www Roadranger Com Ecm Idcplg Idcservice Get File Did 297383

Http Www Roadranger Com Ecm Idcplg Idcservice Get File Did 297383

18 Speed Shift Pattern Diagram Eaton Fuller Transmission P N 21628

18 Speed Shift Pattern Diagram Eaton Fuller Transmission P N 21628

Fiat Uno Turbo I E Fiat Uno Futuristic Cars Interior Dashboards

Fiat Uno Turbo I E Fiat Uno Futuristic Cars Interior Dashboards

Eaton 13 Speed How It Works Youtube

Eaton 13 Speed How It Works Youtube

Http Www Eaton Com Ecm Groups Public Pub Eaton Vehicle Documents Content Pct 3293119 Pdf

Http Www Eaton Com Ecm Groups Public Pub Eaton Vehicle Documents Content Pct 3293119 Pdf

Cdl Training San Antonio Is A Truck Driving School With Experience We Are Located In San Antonio Tx Getting A Comme Bus Engine Truck Driving Jobs School Bus

Cdl Training San Antonio Is A Truck Driving School With Experience We Are Located In San Antonio Tx Getting A Comme Bus Engine Truck Driving Jobs School Bus

Peterbilt 359 Drawing Google Search Truck Tattoo Semi Trucks Trucks

Peterbilt 359 Drawing Google Search Truck Tattoo Semi Trucks Trucks

Sensors Free Full Text An Efficient Neural Network Based Microseismic Monitoring Platform For Hydraulic Fracture On An Edge Computing Architecture Html

Sensors Free Full Text An Efficient Neural Network Based Microseismic Monitoring Platform For Hydraulic Fracture On An Edge Computing Architecture Html

Should I Get Racing Stripes On My 01 Black Camaro In 2020 Black Camaro Camaro Chevy Camaro

Should I Get Racing Stripes On My 01 Black Camaro In 2020 Black Camaro Camaro Chevy Camaro

Https Lawrenceboatrightsanrafaelv Files Wordpress Com 2019 05 B00964d6762c62435fedbac7813cb5 Pdf

Https Lawrenceboatrightsanrafaelv Files Wordpress Com 2019 05 B00964d6762c62435fedbac7813cb5 Pdf

Text Effect With Highlight Text Effects Coreldraw Cnc Software

Text Effect With Highlight Text Effects Coreldraw Cnc Software

Q48jqnqgs G2wm

Q48jqnqgs G2wm

156 How To Shift An 18 Speed Transmission Youtube

156 How To Shift An 18 Speed Transmission Youtube

Https Encrypted Tbn0 Gstatic Com Images Q Tbn 3aand9gcrnpt Q4bm5awi0e8dnnpinyzvj5wk3gngaq2sv 7od4ixzejc Usqp Cau

Https Encrypted Tbn0 Gstatic Com Images Q Tbn 3aand9gcrnpt Q4bm5awi0e8dnnpinyzvj5wk3gngaq2sv 7od4ixzejc Usqp Cau

Source : pinterest.com